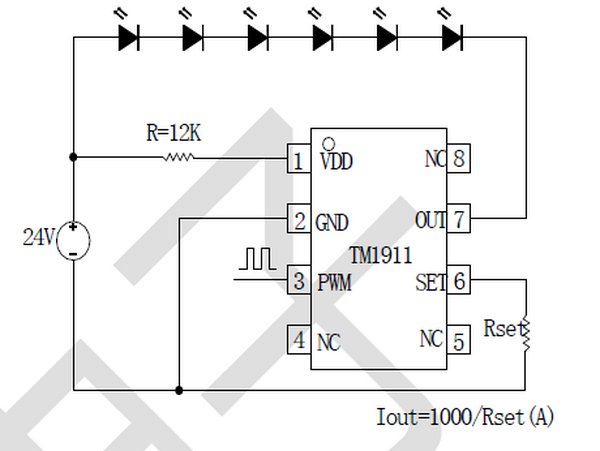
آی سی TM1911: این آی سی یک درایور LED دی سی constant current با پایه DIM بسیار ساده می باشد که فقط با دو مقاومت 1.4 وات و بدون نیاز به سلف و دیود شاتکی کار می کند. ولتاژ کاری: از 4.5 ولت تا 24 ولت
شما هم درباره این محصول نظر خود را بنویسید.برای ثبت نظر، لازم است ابتدا وارد حساب کاربری خود شوید.افزودن نظر